Vertriebsteam Einzelkreisregler
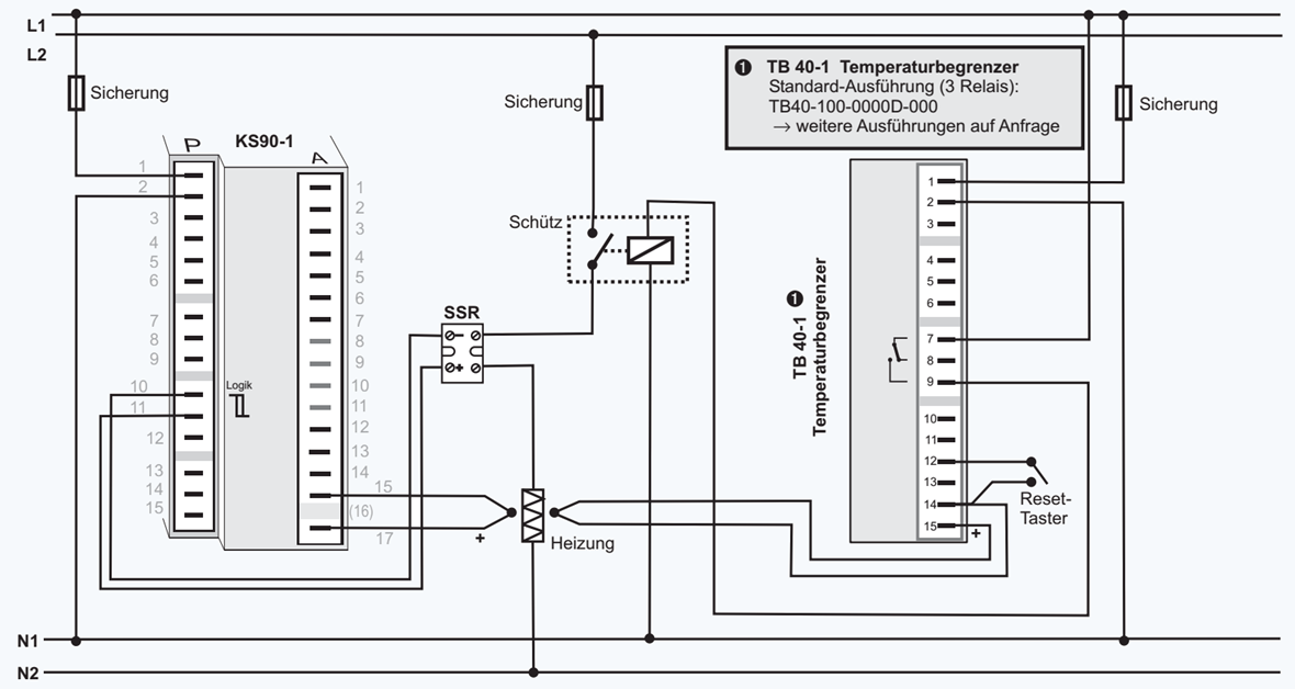
Wenn ein System einen einzelnen Regelkreis oder autark arbeitende Regler benötigt, kann ein Einzelkreisregler verwendet werden, um eine Temperatur oder andere Prozessgröße zu regeln. Einzelkreisregler gibt es in verschiedensten Ausführungen, von ganz einfachen Temperaturreglern über Regler mit zusätzlichen Sollwert- und Alarmfunktionen bis hin zu komplexen Programmreglern, die in der Lage sind komplette Prozess- oder Testabläufe zu managen.
